- Sie haben noch keine Artikel in Ihrem Warenkorb.
Beschreibung
Das Rolladen-Kegelradgetriebe KG021 ist durch seine Untersetzung von 4:1 mit linkslauf extrem benutzerfreundlich und für Rollladenbehänge bis zu 28 kg bestens geeignet. Sein Einsatzgebiet findet dieses Kegelradgetriebe in einer achtkant Stahlwelle ab 40 mm Durchmesser (SW 40).
Durch die Verwendung modernster Materialien und den Bremsfederfreilauf ist dieses Kegelradgetriebe für Rolladen äußerst leichtgängig. Es können sowohl kleine Ausladungen verwendet als auch, mit größeren Kurbelausladungen, größere Behänge bedient werden.
Der integrierte Bremsfederfreilauf sorgt dafür, dass die Bremsfeder während der Drehbewegung nicht auf dem Bremszylinder reibt. Hierdurch ist beim Hochdrehen des Behangs eine sehr leichtläufige Bedienung gegeben. Durch die gehärtete Verzahnung greift die Bremse bei einer Unterbrechung der Aufwärtsbewegung unmittelbar und der Behang wird sicher gehalten. Das Besondere an diesem System ist, dass die erforderliche Kraft zum Bedienen des Rollladens oder Behangs in der Aufwärtsbewegung ähnlich groß ist wie in der Abwärtsbewegung. Für den Nutzer stellt dies einen ausgezeichneten Bedienkomfort dar. Gesondert verhindert der Freilauf ein falsches Aufwickeln des Behangs.
Besonderheiten
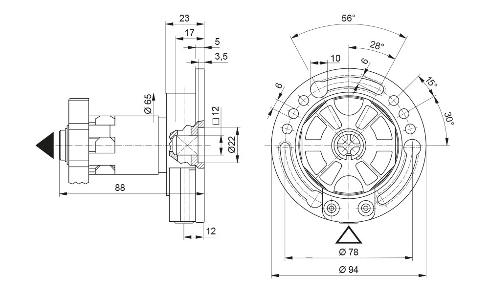
Maße

Bestimmung der Getriebeausführung
Möchten Sie den Rolladen öffnen, muss das Kurbelgestänge im Uhrzeigersinn gedreht werden. Damit bei unterschiedlichen Einbausituationen die Drehrichtung gleich bleibt, beachten Sie bei Ihrer Bestellung bitte diese Zeichnung über die Bestimmung der richtigen Getriebeausführung.


Unterschied - Linke und Rechte Getriebeausführung
Stellen Sie das Kegelradgetriebe mit der Montageseite auf Ihre Handfläche oder einen Tisch. Zeigen die Kupplungselemente nach links handelt es sich um eine linke Ausführung. Zeigen die Kupplungselemente nach rechts handelt es sich um eine rechte Ausführung.

Technische Daten
Bezeichnung | Wert |
---|---|
Untersetzung | 4:1 |
max. Abtriebsdrehmoment | 12 Nm |
Wirkungsgrad | 0,85 |
Endanschlag (AB) | Freilauf links |
Antrieb | 6 mm Innenvierkant (durchsteckbar) |
Abtrieb | Ø 38 mm (40 mm Achtkant-Welle) |
Getriebeausführung | Links |
Lieferumfang
1 x Rolladen-Kegelradgetriebe KG021