- Sie haben noch keine Artikel in Ihrem Warenkorb.
Beschreibung
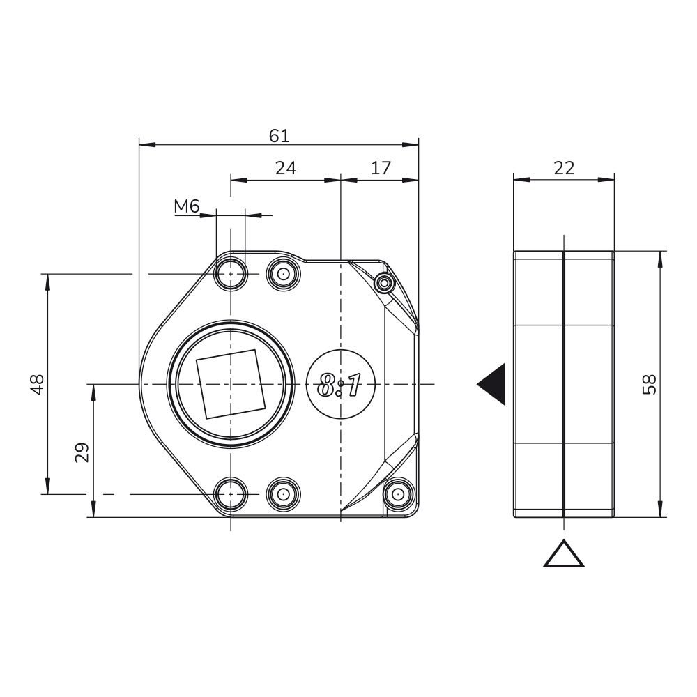
Das Schneckengetriebe SG029 mit einem 6 mm Vierkant Antrieb und einem 13 mm Vierkant Antrieb ist durch seine geringen Abmessungen äußerst platzsparend und so für vielseitige Einbaumöglichkeiten, wie z.B. Rollladen und Markisen, nutzbar. Eine eingebaute Bremsfeder garantiert ein ruckfreies Herunterlassen der Behänge und bringt im Bereich des max. Abtriebsdrehmoments eine sichere Selbsthemmung. Das Getriebe kann sowohl für den Links- als auch für den Rechtseinbau verwendet werden.
Dieses Schneckengetriebe eignet sich hervorragend für den Antrieb von Fallarmmarkisen, Markisoletten und Senkrechtmarkisen und bietet dank seiner Untersetzung von 8:1 ausreichend Kraft. Die verwendeten Materialien sorgen für einen langlebigen und störungsfreien Einsatz.
Produktvorteile
Dieses Schneckengetriebe eignet sich hervorragend für den Antrieb von Fallarmmarkisen, Markisoletten und Senkrechtmarkisen und bietet dank seiner Untersetzung von 8:1 ausreichend Kraft. Die verwendeten Materialien sorgen für einen langlebigen und störungsfreien Einsatz.
Produktvorteile
- für Fallarmmarkisen, Markisoletten und Senkrechtmarkisen
- ohne Endanschlag (Aufzugsbegrenzung)
- durchgehendes Innenprofil am An- und Abtrieb
- Gehäuse aus hochfestem Kunststoff
- für linken oder rechten Einbau geeignet
Besonderheiten
Maße

Technische Daten
Bezeichnung | Wert |
---|---|
Untersetzung | 8:1 |
max. Abtriebsdrehmoment | 20 Nm |
Wirkungsgrad | 0,39 |
Endanschlag (AB) | ohne Endanschlag |
Antrieb | 6 mm Innenvierkant |
Abtrieb | 13 mm Innenvierkant |
Lieferumfang
1 x Schneckengetriebe SG029 mit Untersetzung 8:1 | 6 mm Vierkant / 13 mm Vierkant | ohne Endanschlag